光伏并网发电系统

图 1 光伏并网发电系统
光伏并网发电系统就是太阳能组件产生的直流电经过并网逆变器转换成符合市电电网要求的交流电,然后直接接入公共电网。如图1所示,光伏并网发电系统有集中式大型并网电站一般都是国家级电站,主要特点是将所发电能直接输送到电网,由电网统一调配向用户供电;也有分散式小型并网发电系统,特别是光伏建筑一体化发电系统,是并网发电的主流。
PART.01
此系统采用的控制器是本公司的RTU-BOX206实时数字控制器,功率模块是由4个半桥模块组成,第一个功率模块用于DC/DC变换器,其余三个功率模块用于三相逆变器,逆变器的输出侧接入LCL滤波器,最终实现并网功能,直流侧是用可编程的光伏模拟源充当光伏电源。其拓扑结构如图2所示。

图2 光伏并网发电系统拓扑图
其硬件实物系统正面,背面如图3、图4所示。

图3 光伏并网发电系统拓扑图 图4 光伏并网系统背面图
PART.02
光伏电源因自身输出非线性的特征,外围环境因素(光照强度、温度、湿度等)会对它的输出特性产生较大影响,也就是说光伏电源的输出功率曲线会受环境的改变而发生变化。为了简化光伏电源的内部阻抗与外部负载及输出最大功率之间的关系,假设在极短一段时间内(外围环境因素不变),其等效电路如图5所示。

图5 光伏电源等效电路图
因为环境因素不变,所以电源电压Uin及电源内阻 R0为定值,设外部负载阻抗为 R,则有:
输出功率 PR为:

对 R 求导有:

即当电源内阻等于外部阻抗(R0=R)时,其输出功率 PR 为最大值。但由于光伏电源是一种非线性电源,其内阻是随环境因素变化的,这时也就需要DC/DC 转换电路对外部负载的阻抗进行实时调控,以实现外部负载阻抗与电源自身内部阻抗的匹配,达到实时输出最大功率的目的。MPPT控制算法实际上是通过 MPPT 控制策略控制 DC/DC 变换器中开关的通断,如图6所示,最终实现光伏系统中内外阻抗的匹配,令系统操作点始终位于输出最大功率位置,增强光电转换的能量利用率。

图6 MPPT控制流程图
目前人们提出了很多MPPT控制策略以实现跟踪光伏组件的最大功率,虽然这些算法的目的相同,但它们的效率、跟踪速度、稳态精度、复杂性、硬件实施、成本等方面都存在着较大差异。常见的MPPT控制方法有固定电压跟踪法、扰动观测法、电导增量法等等,本文采用的是固定步长的扰动观测法追踪最大功率点。
PART.03
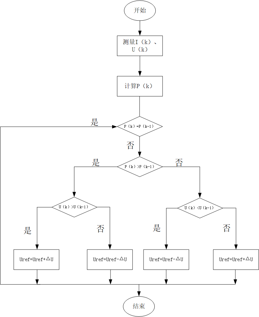
扰动观测法算法的基本思想是:对光伏电源的工作电压 U(k)以及工作电流 I(k)进行实时的采样,计算出功率作为跟踪的实际值,在相等的时间间隔下对 MPPT 系统施加与之前扰动方向相同或相反的占空比(电压)扰动,根据输出功率前后的变化差值,确定之后的操作点扰动方向,这样一步步接近最大功率点的算法。

图7 扰动观察法算法流程图
具体操作如图7所示,光伏电源先输出设定的电压值,打开系统使能后,低压侧电压逐渐下降,低压侧电流逐渐上升,功率逐渐变大,低压侧电压以每秒1V的固定步长逐渐向最大功率点靠近,如图7中电压逐渐减小的弧线所示,对起始点施加一个方向的扰动,当下一时刻的功率大于此时刻的功率时,视此时扰动方向为正,之后持续施加正方向的扰动,直到施加扰动后功率减小,此时功率点称为最大功率点,当工作点功率小于此时刻的功率时加一个反方向的扰动,视此时的扰动方向为负,持续施加负方向扰动,使其一直沿输出功率增大的方向运行,最后工作点在最大功率点附近反复振荡,其振荡幅度视扰动步长(ΔU)而定。其状态转移图如图8所示。

图8 扰动观察法状态转移图
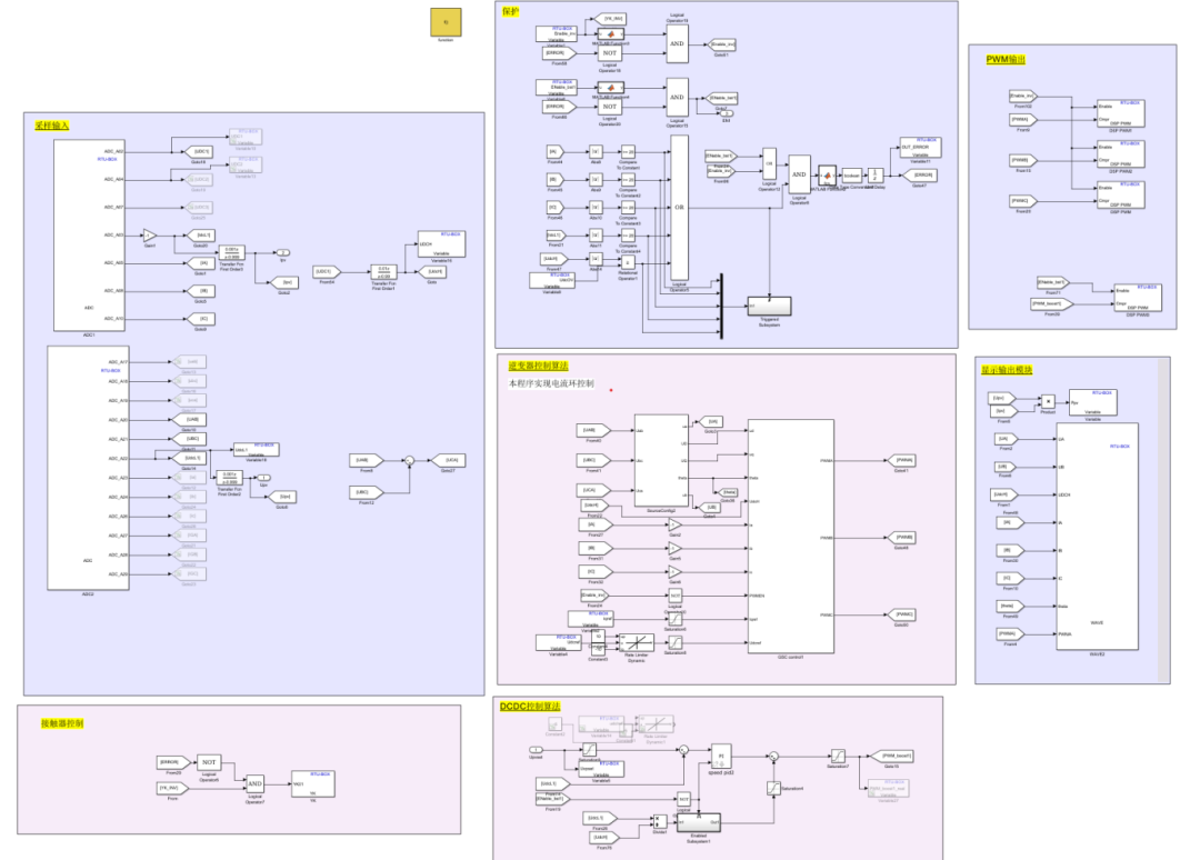
根据上述算法流程图可知光伏逆变并网主要是通过采集光伏电源的输入电流值和电压值去控制光伏电源的电压,仿真模型如图9所示。

图9 算法仿真模型
根据该控制思路,在Simulink中的Matlab Function里写出相应的算法模型,算法运行周期1s,电压扰动步长1V,如图10所示。

图10 扰动观察法算法模型
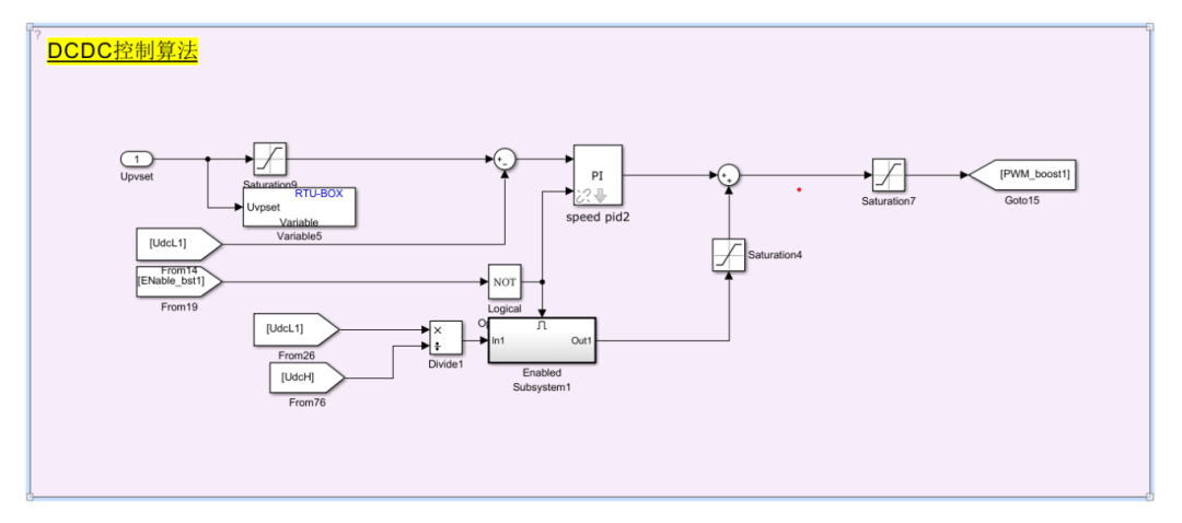
将MPPT算法添加到并网模型里,buck\boost的算法中电压参考值由MPPT算法给出,如图11所示,最终组成光伏并网逆变器算法模型,如图12所示。

图11 buck boost仿真模型

图12 光伏并网逆变器Simulink模型
PART.04
使用光伏模拟源模拟光伏电源的IV输出,设置光伏模拟源电压200V,输出电流5A,设置电网线电压100V将Simulink模型下载到RTU-BOX206控制器运行,采用上位机软件进行电压电流实时显示。
首先观察电网相电压的相位,和锁相环是否正确,接着观察A相PWM调制波和电压传感器采集到的电网A相电压频率、相位是否相同。检查结束后,直接将逆变器使能Enable_inv打开。成功并网,接着打开buck\boost使能Enable_bst。可以观察到成功并网,并且发出5A有功电流。逆变器并网过程如视频所示。

在光伏模拟源上可以观察到设备实时的I-V曲线与P-V曲线,打开系统使能后设备成功并网,并通过该MPPT算法,设备在最大功率点向电网输出功率。跟踪最大功率点过程如视频所示。

mppt追踪最大功率点过程视频(点击此处文字链接跳转查看原文视频)
Copyright © 2021 rtunit Inc. 保留所有权利 营业执照编号320121000202103010242苏ICP备2022027768号-1 技术支持:恒网
隐私政策 | 使用条款 | 销售政策 | 法律信息 | 网站地图